English
全部
搜索
图片
视频
短视频
地图
资讯
更多
购物
航班
旅游
笔记本
报告不当内容
请选择下列任一选项。
无关
低俗内容
成人
儿童性侵犯
时长
全部
短(小于 5 分钟)
中(5-20 分钟)
长(大于 20 分钟)
日期
全部
过去 24 小时
过去一周
过去一个月
去年
清晰度
全部
低于 360p
360p 或更高
480p 或更高
720p 或更高
1080p 或更高
源
全部
Dailymotion
Vimeo
Metacafe
Hulu
VEVO
Myspace
MTV
CBS
Fox
CNN
MSN
价格
全部
免费
付费
清除筛选条件
安全搜索:
中等
严格
中等(默认)
关闭
筛选器
git.ir
Power System Protection: Transformer Protection
Learn about the protection of power transformers to further your career in electrical and power engineering
已浏览 627 次
2022年10月17日
Power System Protection Basics
Communications in power system protection (medias, protocols and network topologies) | EEP
electrical-engineering-portal.com
2018年6月4日
Power System Protection - SlideServe
slideserve.com
已浏览 1022 次
2011年9月29日
0:16
Why Insulators are Wavy? ⚡ Heavy Electrical Fact 💥 Design Creepage Logic #shorts #engineering
YouTube
Ampere Insights
已浏览 4305 次
1 个月前
热门视频
Induction Motor Controller and Protection System | Nevon Projects
nevonprojects.com
2022年11月10日
Power System Protection: Protective Relay Logic
git.ir
2023年12月22日
14 of the Most Impressive Solar Projects Powering Our World
popularmechanics.com
2019年5月22日
Power System Protection Devices
5:15
6 Types of Over Current Relay Used in Power System Protection | Electrical4u
electrical4u.net
2018年7月19日
The basic protection schemes for 4 typical transformer types in power system | EEP
electrical-engineering-portal.com
2019年5月13日
Reading and Understanding AC and DC Schematics In Protection And Control Relaying | EEP
electrical-engineering-portal.com
2018年3月12日
Induction Motor Controller and Protection System | Nevon Projects
2022年11月10日
nevonprojects.com
Power System Protection: Protective Relay Logic
2023年12月22日
git.ir
14 of the Most Impressive Solar Projects Powering Our World
2019年5月22日
popularmechanics.com
0:19
New Technology Power System 😂ഇനി വണ്ടികൾക്ക്
…
已浏览 557 次
1 周前
YouTube
Padinjattinkara
0:11
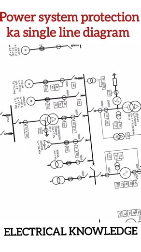
power system protection single line diagram #electricalequipment #Ele
…
已浏览 245 次
6 天之前
YouTube
electrical knowledge3002
0:05
Top 12 Abbreviations in Power system protection #powersystem
…
2 周前
YouTube
Electrical Engineering XYZ
Meet the best power system protection engineers in Hong Kong
已浏览 3.8万 次
2024年8月9日
YouTube
IET
4:56
Surge Protection
已浏览 5.9万 次
2016年3月18日
YouTube
Eaton
12:08
Battery Energy Storage System (BESS) Technology & Application
已浏览 3.3万 次
2021年8月24日
YouTube
Narada
38:20
[Archived] Performing Power System Studies
已浏览 16.9万 次
2015年9月18日
YouTube
MATLAB
6:18
D1 Differential Protection: Basics
已浏览 7.1万 次
2019年3月25日
YouTube
iMooX at
7:23
Substation Design Suite™ (SDS) Protection & Control - Tools Overv
…
已浏览 7029 次
2020年5月11日
YouTube
SBS - Spatial Business Systems
3:13
Protective relays -- introduction
已浏览 1.4万 次
2012年2月24日
YouTube
BTCInstrumentation
17:00
FMPR-103 pt1 l Power Systems Protection v1
已浏览 6.2万 次
2014年12月19日
YouTube
L&D for Protection and Control
5:37
Types of Protective Relays and Design Requirements, Part 1a.
已浏览 6.3万 次
2019年11月26日
YouTube
GeneralPAC: Power System Tutorials
3:22
Protection Systems Testing with OMICRON's CPC 100
已浏览 5465 次
2012年10月29日
YouTube
OMICRONenergy
1:05
4 Smart Energy Electrical (EEE) Projects with tutorials - Skyfi Labs
已浏览 4.8万 次
2016年12月7日
YouTube
Skyfi Labs
33:00
Design Lightning Protection System in Power System Protection Onlin
…
已浏览 5.8万 次
2020年4月30日
YouTube
Engr. Ahmed / Khadija Academy
13:33
How to Make a Battery Protection Circuit (over-discharge protection)
已浏览 55.6万 次
2014年11月5日
YouTube
DIY Perks
5:40
Powerproject Lesson 7 - Progress and baselines
已浏览 7.3万 次
2015年11月25日
YouTube
Asta Powerproject by Elecosoft
6:46
How to protect circuits from reversed voltage polarity!
已浏览 239.9万 次
2011年12月2日
YouTube
Afrotechmods
6:00
Overload and Short Circuit Protection System || Full Explain |
…
已浏览 6.7万 次
2018年5月2日
YouTube
Easy Way
16:41
Introduction to Power System Protection in Power System Prote
…
已浏览 2.8万 次
2019年11月8日
YouTube
Engr. Ahmed / Khadija Academy
48:15
lesson 1: elements protective relays in power system
已浏览 3万 次
2017年7月8日
YouTube
International Engineering Training
0:51
Learn to Build an Electrical (EEE) Project on Home Automation Syst
…
已浏览 5.7万 次
2016年10月27日
YouTube
Skyfi Labs
3:32
Simple short-circuit protection circuit | Save your battery/power-s
…
已浏览 25.9万 次
2019年8月1日
YouTube
Tech Ideas
9:24
Top 10 Arduino Projects 2020 | Awesome Idea for winning Scienc
…
已浏览 185.3万 次
2020年7月26日
YouTube
TecH BoyS ToyS
13:29
BMS (Battery Management System) || DIY or Buy || Properly protectin
…
已浏览 170.1万 次
2019年3月24日
YouTube
GreatScott!
13:53
Protection Coordination -Basics using Etap
已浏览 1.4万 次
2018年8月12日
YouTube
Muwaffaq Usman
观看更多视频
更多类似内容
反馈